На информационном ресурсе применяются cookie-файлы. Оставаясь на сайте, вы подтверждаете свое согласие на их использование.
Замена колодок
2392
17
Евгений999
activist
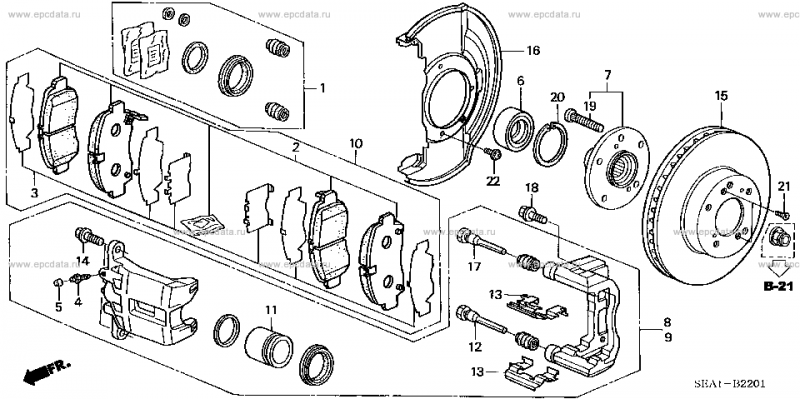
Поменял в круговую колодки, машина Honda Accord. Поставил не оригинал. Вопрос: зачем на оригинале присутствует на каждой колодке металлическая пластинка толщиной ~1мм, а на дубликате такой пластины нигде нет! Пластинки от старых колодок не подошли. Товарищ, узнав об этом, второй день мне твердит, что надо ехать обратно на СТО и все переделывать, по-причине не установки этих пластин... в связи с появлением вибраций и всяких неприятных вещей... Стоит ли заморачиваться по этому поводу? И вообще, какой функционал этих пластин, кроме отвода излишнего тепла...
Евгений999
activist
Sadovnikov
v.i.p.
Совсем в общем виде: они уменьшают бренчание.
mmaksss
veteran
Их часто противоскрипными пластинами называют. Они должны быть, по хорошему их ещё смазать надо. Если они не подошли значит колодки какието не такие.
crew1
experienced
пластинки эти еще и тепло от колодок помогают отводить
crew1
experienced
вместе с термопастой(идет в комплекте с колодками) улучшает передачу тепла от колодки к всему суппорту, что отводит тепло.
Сейчас читают
Мой сын признался, что он - гей.
623497
2145
Первым делом самолеты...
21540
175
Квартира - кредит или рассрочка
5799
45
Sadovnikov
v.i.p.
Я, конечно, совсем отстал от жизни, но не помню термопасты, идущей в комплекте с колодками...
crew1
experienced
колодки как бы должны быть оригиналом, что бы паста шла. И железяки новые идут
Sadovnikov
v.i.p.
Да. вроде, разные в руки попадали. Правда, 11 лет прошло...
и в оригиналах не видел термопасту ни разу
колодки как бы должны быть оригиналом, что бы паста шла. И железяки новые идутПластины вместе с колодками в комплекте видел.
Пасту ни разу...
Собственно так оно и бывает. Не всегда идет паста и даже пластинки.Видимо от чего то зависит, от чего - не знаю. В общем два углубления на колодке и пластинки в основном нужны для отвода тепла.
В общем два углубления на колодке и пластинки в основном нужны для отвода тепла.Воздух - теплоизолятор

Евгений999
activist
Понятно, что лучше с ними, чем без них. Но на сколько критично установка колодок, без вот этих вот пластин? Старые, нет возможности закрепить из-за особенности формы дубликата. Покупать оригинал за 10 тысяч из-за пасты и новых пластинок, нет желания :(. При стоимости дубликата в 2 тысячи.
SVKan
activist
Понятно, что лучше с ними, чем без них. Но на сколько критично установка колодок, без вот этих вот пластин? Старые, нет возможности закрепить из-за особенности формы дубликата. Покупать оригинал за 10 тысяч из-за пасты и новых пластинок, нет желания :(. При стоимости дубликата в 2 тысячи.Да в общем не критично.
Но странный дубликат...
У меня на двух машинах даже если дубликаты шли без пластин все равно на них были точно такие же выемки как на родных под установку пластин.
Вот скрипелка износа могла быть, могло не быть...
Евгений999
activist
Скрипелки не было (на задних).. поставили со старых.. По-поводу пластин: на оригинальных колодках два отверстия, пластины держатся на них именно за счет паза в районе этих отверстий. На дубликате отверстий нет, пластину закрепить не получается... если просто приложить ее к колодке и вставить весь пирог в супорт, она с вероятностью 100 процетов вылетит. На передних другая ситуация, пластина приклёпана к оригинальной колодке, как бы они в сборе

ну бред же, интерфейс с термопастой будет работать только при очень плотном контакте (очень. это когда детали жестко между собой стянуты) чего в случае с этой пластиной нет.
ТОП 5
3