На информационном ресурсе применяются cookie-файлы. Оставаясь на сайте, вы подтверждаете свое согласие на их использование.
Электрика-электроника-сигналки. Вопросы к Лису (часть 3)
216776
996
Имеющийся негативный опыт замены, после которого в салоне сверчки стадами носятся, дает о себе знать 
Я так понимаю сигналок с автопрогревом и GSM не так уж и много? Какую бы вы посоветовали?

Я так понимаю сигналок с автопрогревом и GSM не так уж и много? Какую бы вы посоветовали?
давайте уж начнем так. (про негатив)
Любое кроилово ведет к попадалову.
И со сверчками, и с "жучками".
И обсуждение того, что лично вам надо ставить "на форуме" со всеми мерами предосторожности, как минимум, "кхм. не корректно".
Вроде с этого дела начинают вести.
Любое кроилово ведет к попадалову.
И со сверчками, и с "жучками".
И обсуждение того, что лично вам надо ставить "на форуме" со всеми мерами предосторожности, как минимум, "кхм. не корректно".
Вроде с этого дела начинают вести.
Обсуждение на форуме, не предполагает дальнейшей установке озвученных образцов/образца 
В личке.

В личке.
Руслан привет
по весне ставил у вас пандору 3300, к сиге и монтажу нет нареканий, спасибо
сегодня хотел заменить ААА , достал из чехла брелок, а стеклышко экрана (внешнее) отклеилось, и извлеклось отдельно от брелока
чего с этой напастью делать? всё детали целые, ничего не ударялось и не ронялось
по весне ставил у вас пандору 3300, к сиге и монтажу нет нареканий, спасибо
сегодня хотел заменить ААА , достал из чехла брелок, а стеклышко экрана (внешнее) отклеилось, и извлеклось отдельно от брелока

чего с этой напастью делать? всё детали целые, ничего не ударялось и не ронялось
avix
activist
Добрый день. Проблема - не работает ЦЗ
.
Входные данные:
Менял стеклоподъемник, он теперь работает безотказно, но вот ЦЗ нет...
Так же отвалилась сигналка, не штатная, legenford какой то....
Интересный факт - замок багажника при всех манипуляциях (с ключа, с кнопочки с салона) работает исправно.
Подключал вагком. в блоке комфорта ошибок нет, а в двигателе была, что то типа "блокировка блока управления...." номер к сожалению не запомнил, взял с дуру и стер, после этого она не появилась больше...
Итак: что могло произойти что отвалился ЦЗ с сигналкой? Куда копать? Проводку при ремонте вообще не трогал, только разъемы скидывал.
. Входные данные:
Менял стеклоподъемник, он теперь работает безотказно, но вот ЦЗ нет...
Так же отвалилась сигналка, не штатная, legenford какой то....
Интересный факт - замок багажника при всех манипуляциях (с ключа, с кнопочки с салона) работает исправно.
Подключал вагком. в блоке комфорта ошибок нет, а в двигателе была, что то типа "блокировка блока управления...." номер к сожалению не запомнил, взял с дуру и стер, после этого она не появилась больше...
Итак: что могло произойти что отвалился ЦЗ с сигналкой? Куда копать? Проводку при ремонте вообще не трогал, только разъемы скидывал.
добавлю список ошибок, судя по всему отвалился блок комфорта.... как не пойму(((
Версия VAG-COM: Релиз 311.2-N
Номер Контроллера: 3B0 959 799 A
Компонент и/или версия: Zentral-SG Komfort V41
Программный код: 04097
Код Сервисцентра: WSC 05311
Доп. информация: 3B4959793A Tхrsteuergerбt Fahr.V42
10 Найдены неисправности:
01331 - Блок управления двери водителя-J386
49-10 - нет связи - Спорадическая
01330 - Центральный блок управления систем комфорта-J393
49-10 - нет связи - Спорадическая
00960 - Выключатель центрального замка со стороны водителя-F59
27-00 - недостоверный сигнал
00928 - Привод центрального замка двери водителя-F220
27-00 - недостоверный сигнал
01330 - Центральный блок управления систем комфорта-J393
49-10 - нет связи - Спорадическая
00929 - Привод центрального замка двери переднего пассажира-F221
27-00 - недостоверный сигнал
01330 - Центральный блок управления систем комфорта-J393
49-10 - нет связи - Спорадическая
00930 - Привод центрального замка задней левой двери-F222
27-00 - недостоверный сигнал
01330 - Центральный блок управления систем комфорта-J393
49-10 - нет связи - Спорадическая
00931 - Привод центрального замка задней правой двери-F223
27-00 - недостоверный сигнал
Версия VAG-COM: Релиз 311.2-N
Номер Контроллера: 3B0 959 799 A
Компонент и/или версия: Zentral-SG Komfort V41
Программный код: 04097
Код Сервисцентра: WSC 05311
Доп. информация: 3B4959793A Tхrsteuergerбt Fahr.V42
10 Найдены неисправности:
01331 - Блок управления двери водителя-J386
49-10 - нет связи - Спорадическая
01330 - Центральный блок управления систем комфорта-J393
49-10 - нет связи - Спорадическая
00960 - Выключатель центрального замка со стороны водителя-F59
27-00 - недостоверный сигнал
00928 - Привод центрального замка двери водителя-F220
27-00 - недостоверный сигнал
01330 - Центральный блок управления систем комфорта-J393
49-10 - нет связи - Спорадическая
00929 - Привод центрального замка двери переднего пассажира-F221
27-00 - недостоверный сигнал
01330 - Центральный блок управления систем комфорта-J393
49-10 - нет связи - Спорадическая
00930 - Привод центрального замка задней левой двери-F222
27-00 - недостоверный сигнал
01330 - Центральный блок управления систем комфорта-J393
49-10 - нет связи - Спорадическая
00931 - Привод центрального замка задней правой двери-F223
27-00 - недостоверный сигнал
завтра привези - прикреплюне получится у меня ближайшие полмесяца заехать![]()
напиши что за клей, сам сделаю
суперклеем и подобными нельзя ведь, верно? пары при высыхании белым налётом под стеклом думаю осядут
если память не изменяет - блок комфорта под ковриком водителя и его заливает водой. отсюда и "мультики".
Руслан, мое почтение.
на моем аккорде-старикашке помирает одна из фар ближнего света (ксенон). при включении фар непродолжительное время (2-3 минуты) светится фиолетовым светом, затем гаснет. выключил-включил - такая же картина. можно по симптомам понять что сдыхает, сама лампа или HID-блок?
на моем аккорде-старикашке помирает одна из фар ближнего света (ксенон). при включении фар непродолжительное время (2-3 минуты) светится фиолетовым светом, затем гаснет. выключил-включил - такая же картина. можно по симптомам понять что сдыхает, сама лампа или HID-блок?
Привет, уважаемый!
Лампа у тебя "отъезжает". У мея такая же петрушка была
Лампа у тебя "отъезжает". У мея такая же петрушка была
спасибо, порадовал.
мне тут наши местные "умельцы" уже про смерть блока напели, радостно потирая лапки. я потому и хотел у тебя уточнить.
мне тут наши местные "умельцы" уже про смерть блока напели, радостно потирая лапки. я потому и хотел у тебя уточнить.
дык что мешает поменять лампы местами для полносты картины?

там хитрую отвертку надо, без нее не подобраться.
Руслан здравствуйте,у меня опять ЭБУ контакт теряет,месяц назад вы только повторно его смотрели,если я приеду мне опять платить за его ремонт??
Из кемерово с180к w203 1.8 литра
Из кемерово с180к w203 1.8 литра
зоки
veteran
где можно продиагностировать сигнализацию "Старлайн В9"? работает через раз, даже через два. последние выходные дважды пользовался секретной кнопочкой. жить так дальше уже нельзя. В сто "У Лиса" уже спрашивал, посоветовали ставить "Пандору", мотивирую тем, что "Старлайн В9" - изначально говно и это не лечится. может, я к этому и приду, но сперва хочу еще куда-нибудь показаться. что посоветует, друзья?
дык официаля в новосибе старлайн есть Автомастер на Владимировской 2а 

позвонил, там запись на середину ноября 

Руслан добрый день.
У меня плохая карма,что делать?
P.S. незнаю как называется, но в общем пандора не подает звуковой сигнал, ставилась 10-12-2010.
брелок пищит а машина нет. ни при постановке/снятии, ни при вскрытии закрытой машины.
У меня плохая карма,что делать?
P.S. незнаю как называется, но в общем пандора не подает звуковой сигнал, ставилась 10-12-2010.
брелок пищит а машина нет. ни при постановке/снятии, ни при вскрытии закрытой машины.

DmitryER
junior
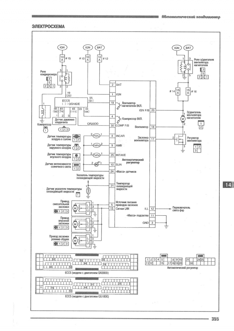
Здравствуйте! Такая беда: внезапно вентилятор печки стал работать всегда на максимальной 4-ой скорости.
То есть, на панельке (с дисплейчиком) переключаешь скорости с 1-ой по 4-ю - он всегда крутит максимально. Более того, когда печку/кондиционер вообще выключаешь - он всё равно крутит на 4-ой скорости.
На дисплее панельки всё отображается по старому, правильно. Переключается, кнопки все нажимаются правильно.
что делать? как быть? какие мысли?
прикладываю схему.
nissan bluebird sylphy 2001 qg18
То есть, на панельке (с дисплейчиком) переключаешь скорости с 1-ой по 4-ю - он всегда крутит максимально. Более того, когда печку/кондиционер вообще выключаешь - он всё равно крутит на 4-ой скорости.
На дисплее панельки всё отображается по старому, правильно. Переключается, кнопки все нажимаются правильно.
что делать? как быть? какие мысли?
прикладываю схему.
nissan bluebird sylphy 2001 qg18
проблема в реле-регуляторе оборотов печки.
Или меняется, или (в большинстве случаев) - нами лечится.
Или меняется, или (в большинстве случаев) - нами лечится.
скорее всего сама сирена, что под капотом стоит, приказала долго жить
Добрый день, подскажите как настроить автозапуск на -20 градусов Tamohawk X5. По инструкции написано нажать OVERRIDE 4 раза, затем на брелоке нажать клавишу с нужной температурой, при этом не сказано должно ли быть включено зажигание или нет. Я попробовал что-то не вышло ничего

скорее всего сама сирена, что под капотом стоит, приказала долго житьне уверен в диагнозе, через 2 часа заработала.
Добрый день, подскажите как настроить автозапуск на -20 градусов Tamohawk X5. По инструкции написано нажать OVERRIDE 4 раза, затем на брелоке нажать клавишу с нужной температурой, при этом не сказано должно ли быть включено зажигание или нет. Я попробовал что-то не вышло ничегоВ ответе уже не нуждаюсь, перечитал книжку с инструкцией на 2 раза и нашел.![]()

скажите, а что предпочесть из сигналок: Pandora De Luxe 3000 i или StarLine Twage A92/В92 Dialog? хороший ли будет выбор вместо них установить StarLine Twage B62 Dialog и иммобилайзер StarLine i62, или лучше поставить StarLine Twage B62 Dialog и замок DRAGON на КПП (правый руль). если не сложно, аргументируйте
.
.я предпочту "пандору".
А вообще - на форуме такие вопросы трудно обсуждать, лучше очно
А вообще - на форуме такие вопросы трудно обсуждать, лучше очно
Руслан, привет. Подскажи где ещё может быть установлен блок управления АКПП на форике сг5 2002г.в. японец? По мануалу под рулём, но его там нет.
он совмещен с блоком управления двигателем. Вроде в ногах пассажира под ковриком должен быть
Спасибки, буду разбираться. А что тогда за блок стоит под климатом в центральной консоли?
BornToKill
junior
Добрый вечер! Сгорает предохранитель на подсветку панели приборов, и климата, 3 штуки испоганил, остальное все работает. Только поставлю новый, включю свет, и он сразу сгорает. Что можеть быть? Машинка Toyota Corona Premio 4a-fe,1996 год
Лис
рыжий
думаю логичным предположить короткое замыкание.
А его надо искать.
А его надо искать.если с желтыми разъемами - блок управления подушками. Лучше его не трогать, стрелять любят

если с желтыми разъемами - блок управления подушками. Лучше его не трогать, стрелять любятон самый. Ну дело за малым осталось, где б найти распиновку на тот самый совмещённый блок? У вас там не имеется случаем?![]()
kamin
experienced
Добрый день, подскажите пожалуйста: поменял в Ниссан X-Treil 2006 года выпуска штатную двудиновую магнитолу на вот такую однодиновую JVC KD-AVX77EE .
Вопрос - возможно ли подключить к магнитоле штатное ду на руле (вроде как читал что есть адаптеры то ли на ИК толи на каком другом принципе), идеально было бы без адаптера на штатных проводах. Если возможно то какая цена вопроса (если не трудно, в личку). Спасибо.
Вопрос - возможно ли подключить к магнитоле штатное ду на руле (вроде как читал что есть адаптеры то ли на ИК толи на каком другом принципе), идеально было бы без адаптера на штатных проводах. Если возможно то какая цена вопроса (если не трудно, в личку). Спасибо.
в теории возможно, но это вопрос скорее в "Тюнинг", нам эта тема не интересна
выручайте... хотя вам уже звонил
около Хилтона припарковал машину, через час вернулся, на брелок не реагирует, открыл - орет, перепробывал кучу комбинаций с override, понял, что не помню точную комбинацию - позвонил друзьям - сказали. Сделал - не сработало. (рядом еще одна машина орала так же и тоже не срабатывало аварийное снятие с охраны).
ПОзвонил вам, посоветовали отогнать или подождать часа 3-4. Поехал на работу, вернулся через часа 4 - не открывается.
Сигналка томагавк 9020.
Чего теперь сделать можно? как я понимаю клемы снять не поможет?
около Хилтона припарковал машину, через час вернулся, на брелок не реагирует, открыл - орет, перепробывал кучу комбинаций с override, понял, что не помню точную комбинацию - позвонил друзьям - сказали. Сделал - не сработало. (рядом еще одна машина орала так же и тоже не срабатывало аварийное снятие с охраны).
ПОзвонил вам, посоветовали отогнать или подождать часа 3-4. Поехал на работу, вернулся через часа 4 - не открывается.
Сигналка томагавк 9020.
Чего теперь сделать можно? как я понимаю клемы снять не поможет?
клеммы снять не поможет. Внимательно почитать инструкцию и зарядить аккумулятор.
Ну или - отключить блок.
Ну или - мне позвонить, если не далеко - постараюсь подрулить
Ну или - отключить блок.
Ну или - мне позвонить, если не далеко - постараюсь подрулить
Все, спасибо, разобрался!
как-то умудрился Anti Hijack врубить....
как-то умудрился Anti Hijack врубить....
Что то не сказал бы, что на этот моцк литературы много. Сутки поиска - результатов нихт.
Руслан, ну может у вас есть что на эту коробочку? Мне б только узнать какой провод с какой фишки идёт на соленоид "C" (вроде), который задний привод "вкл-выкл делает".
Руслан, ну может у вас есть что на эту коробочку? Мне б только узнать какой провод с какой фишки идёт на соленоид "C" (вроде), который задний привод "вкл-выкл делает".
категорически приветствую!
сигналка - томагавкалка 9010
по весне при автозапуске стала мигать вместо аварийки только левыми поворотниками. Пару же дней назад после прогрева эти самые поворотники загораются (горят, не мигают) и так до открытия машины. Куда копать?
сигналка - томагавкалка 9010
по весне при автозапуске стала мигать вместо аварийки только левыми поворотниками. Пару же дней назад после прогрева эти самые поворотники загораются (горят, не мигают) и так до открытия машины. Куда копать?
Куда копать?
В блок сигнализации, реле подлипает.
В блок сигнализации, реле подлипает.
milliondollarboy
activist
А вот на прадо 120, насколько я себя страхую, если помимо сигналки закрываю дверь ключем ?
Помогает это от угона ?
Если закрывать таким образом машину, при открывании сигналкой она орет клаксоном, и не заводится.
Помогает это от угона ?
Если закрывать таким образом машину, при открывании сигналкой она орет клаксоном, и не заводится.
Лис
рыжий
могу показать, как 120-й (за исключением редких комплектаций) "уводится" за пару минут.
как сказал уже выше Александр - реле в самом блоке надо поменять.
Другое дело - что оно редкое, но для инженерного склада ума это не представляет проблемы
Другое дело - что оно редкое, но для инженерного склада ума это не представляет проблемы

ТОП 5
2
3