На информационном ресурсе применяются cookie-файлы. Оставаясь на сайте, вы подтверждаете свое согласие на их использование.
Электрика-электроника-сигналки. Вопросы к Лису (часть 3)
216773
996
Несколько месяцев назад ставил у вас Пандору и парктроники вкруг. Недавно маленько стукнул передний бампер. Можно у вас просто купить передние датчики, без установки? (машина находится в др. городе)
Мы отдельно датчики редко держим, проще обратиться в в фирму автомастер.
ДубльГис выдает штук пять всяких Автомастеров, вы про какой именно?
sema2014
activist
Вечер добрый! Автомобиль Субару Форестер. Проблема со стеклоподъемником на водительской двери: не работает автоматический подъем-опускание вообще, в ручном режиме опускание работает при удерживании кнопки, подъем наоборот, только многократным нажатием (рывками). Как лечить посоветуйте пожалуйста или сколько будет стоить, если знаете проблему по описанию.
для начала не плохо было бы показать "пациента".
А там уже и стоимость определится.
А там уже и стоимость определится.
Руслан, я, конечно, понимаю, что по фотографии не лечим....что пациент нужен на осмотр....но не задать вопрос просто не могу....2 момента:
1. уже некоторое время периодически загорается лампочка аккума....никакой закономерности не выявил - холодно-жарко, прогрет или на холодную, стою или еду - без разницы, начала загораться - полчаса позагорается периодически и потухнет....ну и нехай с ним....лампы головного света горели частенько только - не заморачивался - поменял и в путь....года поставил сигналку (у вас же
) решил проверить - просадку - а оно наоборот выдает 15,1 и все.....что енто может быть?....как быстро и менее затратно (хотелось бы) вылечить?
2. вчера стал менять лампы головного света - поменял....стал гореть только дальний вне зависимости от положения рычага....что ЭТО и как его лечить....вчера все руки покосячил пока лампочки туда-сюда....
могу сегодня заскочить в течении дня....полчаса у мну будет....не больше....смогет кто-нить посмотреть?
авто - субару аутбек 2001 год
1. уже некоторое время периодически загорается лампочка аккума....никакой закономерности не выявил - холодно-жарко, прогрет или на холодную, стою или еду - без разницы, начала загораться - полчаса позагорается периодически и потухнет....ну и нехай с ним....лампы головного света горели частенько только - не заморачивался - поменял и в путь....года поставил сигналку (у вас же
) решил проверить - просадку - а оно наоборот выдает 15,1 и все.....что енто может быть?....как быстро и менее затратно (хотелось бы) вылечить?2. вчера стал менять лампы головного света - поменял....стал гореть только дальний вне зависимости от положения рычага....что ЭТО и как его лечить....вчера все руки покосячил пока лампочки туда-сюда....
могу сегодня заскочить в течении дня....полчаса у мну будет....не больше....смогет кто-нить посмотреть?
авто - субару аутбек 2001 год
Сейчас читают
Осенний солнечный дозор.....
167626
1000
Анна Каренина
89367
217
Изменения условий на архивных тарифах МТС
28738
169
Доброго дня. Не сталкивались с чудесами кетайской самодеятельности Agilon al-2000f1?
Беда с дальностью приема-передачи сигнала. Батарейку сменил - 0 эффекта. 20 метров максимум. Хотя в интернетах за дальность хвалят. Куда копать?
зы. выкинуть поделку не предлогать, машина чужая, пользовать её буду месяц-два.
Беда с дальностью приема-передачи сигнала. Батарейку сменил - 0 эффекта. 20 метров максимум. Хотя в интернетах за дальность хвалят. Куда копать?
зы. выкинуть поделку не предлогать, машина чужая, пользовать её буду месяц-два.
скорее всего сама сирена, что под капотом стоит, приказала долго житьРуслан продолжает периодически появляется та же проблема, пропадает звук сигналки.
Обычно происходит следующим образом, всю ночь срабатывает датчик удара, с утра перестает работать звук, через какое то время снова появляется, обычно после пары запусков. Сегодня когда ставил на сигналку с утра на втором чирипе пропал звук. Сейчас машина стоит на территории, мимо никто не ездит, ветра нет, деревья не падаю, начинает срабатывать датчик удара.

как сказал уже выше Александр - реле в самом блоке надо поменять.Спасибо и вам и Александру.
Другое дело - что оно редкое, но для инженерного склада ума это не представляет проблемы
Вопрос - кроме поворотников может повлиять на что-то или можно забить?
Забить то можно, главное что бы поворотник во включенном состоянии на ночь не остался, а то ведь сядет камулятор.
боюсь повториться, но - поменять-таки сирену надо. Цена вопроса - 200 рублей. (это если лечить по фотографии)
предлагаю начать в части каскадов усилителя ВЧ в передатчике в машине. после "прикуривания" мрут они зачастую.
kamin
experienced
Добрый день Руслан,подскажите плз
Предыдущий хозяин поставил в машину (Nissan X-Trail 2006 европеец вот такой парктроник, на 8 датчиков.
Работает нормально,расстояние до препятствия определяет верно,но не работает звук. При нажатии кнопки включения звука иконка динамика загорается, но звук не появляется.
В чем может быть проблема - есть какие-либо хитрости настройки, отключения звука, или банально динамик погиб? Сможете подсказать или,если поломан,отремонтировать?
Предыдущий хозяин поставил в машину (Nissan X-Trail 2006 европеец вот такой парктроник, на 8 датчиков.
Работает нормально,расстояние до препятствия определяет верно,но не работает звук. При нажатии кнопки включения звука иконка динамика загорается, но звук не появляется.
В чем может быть проблема - есть какие-либо хитрости настройки, отключения звука, или банально динамик погиб? Сможете подсказать или,если поломан,отремонтировать?
предлагаю начать в части каскадов усилителя ВЧ в передатчике в машине. после "прикуривания" мрут они зачастую.спасибо, пошел искать.
а там случаем звук не отключен?
А так - посмотреть-то можно, может и динамик "приказал долго жить"
А так - посмотреть-то можно, может и динамик "приказал долго жить"
Может и отключен, только я не знаю где это можно глянуть, кнопка включения звука его не включает. Какк вам попасть "на посмотреть", записаться по телефону?
да, позвоните, подъезжайте. Лучше в понедельник
152-ФЗ
guru
Понимаю, что я не Ваш клиент, но все равно если не затруднит ответьте, на вопрос. Что может быть не правильно сделано с сигнализацией?
Машина Калина, активирован штатный иммобилайзер, ставили сигнализации Старлайн А91, с обходчиком иммобилайзера. Сигнализацию поставили на днях и автозапуск работает через одно место: днем заводит нормально, а утром, когда холодно, работает весьма странно. В первый раз, на прошлой неделе, было - 6 градусов, автозапуск спокойно прокрутил четыре раза и машину не завел, с ключа машина завелась свободно. На другое утро, было -4 градуса, машина завелась с третьей прокрутки. При этом первая прокрутка, была не более 2-х секунд. Стоя рядом с машиной и наблюдал следующею картину: загорается панель, начинает крутить стартер, после чего на панели начинает мигать лампочка активированной защиты иммобилайзера, стартер перестает крутить, панель гаснет и через несколько секунд начинается вторая попытка запуска.
Я поехал к установщикам (очень туги и упертые «официальные» ребята), те увеличили время прокрутки до 3,6 сек. (несмотря на то, что контроль состояния осуществляется по тахометру, а следовательно время прокрутки по умолчанию должно быть 3,6 сек), на мой вопрос, а нафига, сказали ездий и смотри.
Сегодня утром, еще интереснее: включил автозапуск, в машине загорелось панель, после чего на панели стал мигать значок активированной защиты иммобилайзера, стартер даже не крутнулся, панель погасла и через несколько секунд началась вторая попытка запуска: снова загорелось панель, в этот раз стартер прокрутился не более 1 сек. и замолчал, на панели опять стал мигать пресловутый значок, потом так же безрезультатно прошла 3-я и 4-я попытка запуска, но стартер уже крутился дольше. После неудачного запуска, я нормально завел машину ключом.
При все при этом, в течении дня машина с автозапуска заводится нормально, хотя, есть подозрение, что не всегда с первой прокрутки.
Что это может быть, намудрили с обходчиком?
Машина Калина, активирован штатный иммобилайзер, ставили сигнализации Старлайн А91, с обходчиком иммобилайзера. Сигнализацию поставили на днях и автозапуск работает через одно место: днем заводит нормально, а утром, когда холодно, работает весьма странно. В первый раз, на прошлой неделе, было - 6 градусов, автозапуск спокойно прокрутил четыре раза и машину не завел, с ключа машина завелась свободно. На другое утро, было -4 градуса, машина завелась с третьей прокрутки. При этом первая прокрутка, была не более 2-х секунд. Стоя рядом с машиной и наблюдал следующею картину: загорается панель, начинает крутить стартер, после чего на панели начинает мигать лампочка активированной защиты иммобилайзера, стартер перестает крутить, панель гаснет и через несколько секунд начинается вторая попытка запуска.
Я поехал к установщикам (очень туги и упертые «официальные» ребята), те увеличили время прокрутки до 3,6 сек. (несмотря на то, что контроль состояния осуществляется по тахометру, а следовательно время прокрутки по умолчанию должно быть 3,6 сек), на мой вопрос, а нафига, сказали ездий и смотри.
Сегодня утром, еще интереснее: включил автозапуск, в машине загорелось панель, после чего на панели стал мигать значок активированной защиты иммобилайзера, стартер даже не крутнулся, панель погасла и через несколько секунд началась вторая попытка запуска: снова загорелось панель, в этот раз стартер прокрутился не более 1 сек. и замолчал, на панели опять стал мигать пресловутый значок, потом так же безрезультатно прошла 3-я и 4-я попытка запуска, но стартер уже крутился дольше. После неудачного запуска, я нормально завел машину ключом.
При все при этом, в течении дня машина с автозапуска заводится нормально, хотя, есть подозрение, что не всегда с первой прокрутки.
Что это может быть, намудрили с обходчиком?
Что делать?
Сузуки гранд витара 2011 + пандора 3300
С наступлением холодов стал срабатывать датчик движения при охлаждении салона ниже 4 градусов, снижение чувствительности датчика не помогает . Уже в ноль поставил все равно сработал
.
Сузуки гранд витара 2011 + пандора 3300
С наступлением холодов стал срабатывать датчик движения при охлаждении салона ниже 4 градусов, снижение чувствительности датчика не помогает . Уже в ноль поставил все равно сработал
.для начаа просто его отключ\ить попробовать, или же блок по гарантии поменять
пускай переделают блок обхъода иммобилайзера или же вообще его деактивировать
тогда осталось лишь позвонить, согласовать время визита - заменим блок по гарантии. Но проблем.
Руслан нада помощь, загорелся чек и еще какая то хрень, после заправки на янтаре, выкатал-залил на газпроме полный, вродь пропало, ща вылезло опять, кореш на RX недавно у тебя был с подобным-сказали катализатор, сделали-доволен, машины внутри одинаковые, может таж проблема?
ну для начала надо глянуть причину "джекичана", а потом уже решать - в какую сторону копать
завтра приеду, стоять в живой очереди 

можно предварительно набрать мне после обеда 8-913-910-9869
Руслан проблем значится такой (даже не проблема дискомфорт чтоль ....)
заменены стандартные лампы накаливания на светодиодные в габаритах и стопах от чего имеем
постоянно висящее сообщение о том что куча ламп ващщще перегорела
соответственно есть ли пути решения сего?
можно ли просто отключить контроль состояния ламп, чтобы БК не ругался?
или резисторы "довешивать"? (что то нехоца)
авто вольв хс
заменены стандартные лампы накаливания на светодиодные в габаритах и стопах от чего имеем
постоянно висящее сообщение о том что куча ламп ващщще перегорела
соответственно есть ли пути решения сего?
можно ли просто отключить контроль состояния ламп, чтобы БК не ругался?
или резисторы "довешивать"? (что то нехоца)
авто вольв хс
увы, вольву не так просто обмануть в этом плане...
присоединяюсь к "диоды - зло"
присоединяюсь к "диоды - зло"

Евгений120
activist
Подскажите, с брелка сигнализации не работает центральный замок., не закрывает. Но если закрыть кнопкой в ключе, брелок сигналки открывает. сигнализация SCHER-KHAN MAGICAR 8. если можно в личку.
завтра приеду, стоять в живой очередиТ.е мне не показалось и я тебя сегодня в Норе видел?![]()
Что это может быть, намудрили с обходчиком?Добавлю 5 копеек.
С месяц как имею на приоре абсолютно точно такую же проблему.
Буквально сегодня разобрал обходчик, ключ кот в него был спрятал немного выпал. Поправил его, теперь заводится с 1 раза. Может и у вас так же приключилось
Вообще, блин ВАЗ - жестокий в плане электрики )))Руслан, добрый день.
Ситуация. Хонда Фит 2006. Ключа нет, есть брелок, который открывает двери, он же выполняет функции иммобилайзера. Если с брелоком подойти к машине и поднести руку к замку, двери открываются, закрываются при нажатии сенсорной кнопочки на замке. Задача - организовать дистанционный запуск (подогреватели мимо, т.к. машина живет в тепле, запускать только днем у работы надо). Вопрос - как это сделать? Сигнализация, блок обхода иммо - понятно, но, не будут ли при запуске открываться двери (когда система видит иммо)? Ситуация осложнена еще тем, что брелок только один.
Может быть есть какие еще пути решения этого вопроса? Может быть можно обойтись вообще без сигнализации (охранные функции не нужны, нужен только прогрев - дистанционный запуск)?
Ситуация. Хонда Фит 2006. Ключа нет, есть брелок, который открывает двери, он же выполняет функции иммобилайзера. Если с брелоком подойти к машине и поднести руку к замку, двери открываются, закрываются при нажатии сенсорной кнопочки на замке. Задача - организовать дистанционный запуск (подогреватели мимо, т.к. машина живет в тепле, запускать только днем у работы надо). Вопрос - как это сделать? Сигнализация, блок обхода иммо - понятно, но, не будут ли при запуске открываться двери (когда система видит иммо)? Ситуация осложнена еще тем, что брелок только один.
Может быть есть какие еще пути решения этого вопроса? Может быть можно обойтись вообще без сигнализации (охранные функции не нужны, нужен только прогрев - дистанционный запуск)?
Если стартер не крутится - его блокирует иммобилайзер.
видимо, все так обходчик...
я так предполагаю, эти же упертые ребята мне не советовали активировать иммо, потому что обходчик на морозе не работает.
судя по твоему примеру - оно действительно так, они не умеют его готовить.
видимо, все так обходчик...
я так предполагаю, эти же упертые ребята мне не советовали активировать иммо, потому что обходчик на морозе не работает.
судя по твоему примеру - оно действительно так, они не умеют его готовить.
Lucky_man
veteran
как подключить автономник к климату форика 2000г., с автономки выходит 2 провода на это.
Сразу на вентилятор не получится, так как климат при выключении паркует все "шторки".
Сразу на вентилятор не получится, так как климат при выключении паркует все "шторки".
Как сделать - руками и головой 
Думаю, что мы справимся.
Надо машину для начала показать. Скорее всего придется "вязать" дополнительный чип в блок обхода. Отпирание дверей при этом не будет активироваться, ибо реализация автозапуска будет через непосредственно замок зажигания, а не по смарт-системе

Думаю, что мы справимся.
Надо машину для начала показать. Скорее всего придется "вязать" дополнительный чип в блок обхода. Отпирание дверей при этом не будет активироваться, ибо реализация автозапуска будет через непосредственно замок зажигания, а не по смарт-системе
Руслан, спасибо.
И все таки, это все реализуется при помощи сигнализации или же без нее можно обойтись?
И все таки, это все реализуется при помощи сигнализации или же без нее можно обойтись?
Ну собственно в этом и вопрос как подключить? нужно что-то дополнительно ставить? либо просто ищется куда провода подключить и все?
навскидку не скажу, а на память не помню. Берем "умную книжку" с осемой - и подключаем. Так вроде
Лис
рыжий
что-то с цепями от сигнализации до центрального замка в машине.
dranduletto
veteran
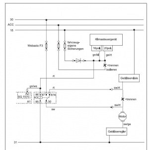
как подключить автономник к климату форика 2000г., с автономки выходит 2 провода на это.5 копеек )))
Сразу на вентилятор не получится, так как климат при выключении паркует все "шторки".
если климат вот такой, то подойдет вот эта схема
ТОП 5
2
3