На информационном ресурсе применяются cookie-файлы. Оставаясь на сайте, вы подтверждаете свое согласие на их использование.
Всем привет,
есть тут небольшая задача/проблема...
Есть машин Subaru Legacy Lancaster с ватоматом, нужно получить текущую передачу
Есть документация по этой машине и судя по этой доке на некоторых выходах с мозгов автомата подается сигнал если включена определенная передача, вспомнив школьный курс информатики составил таблицу истинности, дальше нарисовал схемку из одной таблицы в другую(сигналы с соленоидов), нужную мне. Проверил, сигнал вроде есть, дальше дело за малым. Спаял схемку, проверил, при нужных комбинациях сигналов получаем нужную передачу на индикаторе. Следом подсоединяю всё это дело к мозгам автомата. Вроде даже что-то показывает. Проехался, чуствую, что коробка себя ведет как-то странно - пинается, причём пинается так, как будто переключается на 2-3 передачи вниз..
и через некоторое время загорелась цифра, которой быть не должно
остановился, померил напряжение на выходах автомата на всех логическая 1, тобишь +13 вольт.... так быть не должно
отключил свою поделку, проехался еще раз, коробка ведет себя нормально, не пинается, переключается нормально, но сигнал на всех 4х выходах с автомата осталось +13....
выходы к схеме подключаются через стабилизатор КР142ЕН5А(7805CV), для логики использовал советские К155(собственно из-за них и были стабилизаторы)... замыканий не было, чего мог спалить?
как диагностировать?
есть тут небольшая задача/проблема...
Есть машин Subaru Legacy Lancaster с ватоматом, нужно получить текущую передачу

Есть документация по этой машине и судя по этой доке на некоторых выходах с мозгов автомата подается сигнал если включена определенная передача, вспомнив школьный курс информатики составил таблицу истинности, дальше нарисовал схемку из одной таблицы в другую(сигналы с соленоидов), нужную мне. Проверил, сигнал вроде есть, дальше дело за малым. Спаял схемку, проверил, при нужных комбинациях сигналов получаем нужную передачу на индикаторе. Следом подсоединяю всё это дело к мозгам автомата. Вроде даже что-то показывает. Проехался, чуствую, что коробка себя ведет как-то странно - пинается, причём пинается так, как будто переключается на 2-3 передачи вниз..
и через некоторое время загорелась цифра, которой быть не должно
остановился, померил напряжение на выходах автомата на всех логическая 1, тобишь +13 вольт.... так быть не должно
отключил свою поделку, проехался еще раз, коробка ведет себя нормально, не пинается, переключается нормально, но сигнал на всех 4х выходах с автомата осталось +13....
выходы к схеме подключаются через стабилизатор КР142ЕН5А(7805CV), для логики использовал советские К155(собственно из-за них и были стабилизаторы)... замыканий не было, чего мог спалить?
как диагностировать?
alzin
veteran
Иногда поговоркам нужно верить...каким?
dranduletto
veteran
Там говорится про влияние головы на самочувствие ног
а где диоды то ? сразу от штатной проводки надо диоды первыми подключить дабы не было таких вот фокусов...
ну и микруху теперь надо проверять жива или нет. и вот еще, на микруху вот так на вход напрямую 12В заходило ? А если через стабилизатор, то без притягивания через резистор ?
ну и микруху теперь надо проверять жива или нет. и вот еще, на микруху вот так на вход напрямую 12В заходило ? А если через стабилизатор, то без притягивания через резистор ?
вспомнив твой топик "как безопасно выехать с ул. Инженерной?", осмелюсь спросить: это в Технопарке сейчас передовая научно-техническая мысль бьется над решением сей смелой инновационной задачи? 

Сейчас читают
ЙЙЙЭЭЭЭС, индульгенция на встречку. Раз в год попадаться можно ))
29420
199
Гражданский брак или сожительство???
13187
182
Нужна помощь!!! Ребенку 1 год 5 мес., НЕЙРОБЛАСТОМА (рак)
39471
83
вспомнив твой топик "как безопасно выехать с ул. Инженерной?", осмелюсь спросить: это в Технопарке сейчас передовая научно-техническая мысль бьется над решением сей смелой инновационной задачи?нет, это я в свободное время развлекаюсь, я вообще программист![]()

а где диоды то ? сразу от штатной проводки надо диоды первыми подключить дабы не было таких вот фокусов...через стабилизатор, вроде написал про это...
ну и микруху теперь надо проверять жива или нет. и вот еще, на микруху вот так на вход напрямую 12В заходило ? А если через стабилизатор, то без притягивания через резистор ?
микруха жива вроде...
Можете на схемке подсказать как?
пусть студент покажет не логическую, а принципиальную схему того, чего он там напаял, ага...
говорю же - напаянную схему покажи, коробковредитель. 

Gellowgles
v.i.p.
И вы еще беспокоитесь о работоспособности 155 микрухи?? На хрен с ней, беспокоится нужно о выходах блока, живы ли они? А то может они слаботочные, что скорее всего и есть. Надо было использовать кмоп серию, рассчитанную на напрягу 12в и соответствующие уровни 0 и 1.
за смехотехнику - двойка. В десятичной системе.
1 - выходы этой микробы лампу не потянут. На крайняк - святодиоды с резистором.
2 - кто ж выходы (если они не с открытым коллектором) вместе соединяет?
3 - помимо соленоидов передачи -есть еще соленоиды линейного давления, что ШИМом управляются. А при такой схеме еще не та белиберда получится
4 - не надо мешать машине ездить. Комп - это последнее, что там начнет глючить
1 - выходы этой микробы лампу не потянут. На крайняк - святодиоды с резистором.
2 - кто ж выходы (если они не с открытым коллектором) вместе соединяет?
3 - помимо соленоидов передачи -есть еще соленоиды линейного давления, что ШИМом управляются. А при такой схеме еще не та белиберда получится
4 - не надо мешать машине ездить. Комп - это последнее, что там начнет глючить
говорю же - напаянную схему покажи, коробковредитель.надо дойти до гаража и сфотать :)а что там можно увидеть?:)![]()
alzin
veteran
И вы еще беспокоитесь о работоспособности 155 микрухи?? На хрен с ней, беспокоится нужно о выходах блока, живы ли они? А то может они слаботочные, что скорее всего и есть. Надо было использовать кмоп серию, рассчитанную на напрягу 12в и соответствующие уровни 0 и 1.не, за микруху я ниразу не беспокоюсь, их у меня пока есть немного.... а вот расчитаных на 12в микрух просто не нашел
нету их в нашей деревне
А какие, например, можно было бы использовать не подскажите?
за смехотехнику - двойка. В десятичной системе.1. ну в железе там не лампочки, там выходы на приборку идут, где уже жк индикатор который включается не от подачи на входы питания, а от неподачи
1 - выходы этой микробы лампу не потянут. На крайняк - святодиоды с резистором.
2 - кто ж выходы (если они не с открытым коллектором) вместе соединяет?
3 - помимо соленоидов передачи -есть еще соленоиды линейного давления, что ШИМом управляются. А при такой схеме еще не та белиберда получится
4 - не надо мешать машине ездить. Комп - это последнее, что там начнет глючить
2. это u1:c и u1:b?
Для начала надо схему самого автомата изучить.А не минус ли там коммутируется?
Для начала надо схему самого автомата изучить.А не минус ли там коммутируется?в табличке написано "не более В", думаю плюс
с мозгами всё нормально, раньше времени паниковать начал
питание на все выводы подается питание при стоянке и на нейтрали...
питание на все выводы подается питание при стоянке и на нейтрали...диоды по входам нафиг не нужны. Проще сделать "подтяжку" через резисторы к земле. Ну и сигналы бы тоже подавать через резисторы со стабилитронами
а можно пример? что-то я не до конца понял...
Вообще задача немного проще...
вот что написано в документации про выходы мозгов автомата
так же есть табличка по входам панели приборов(синяя картинка:))
тоесть соединяя все 4 входа панели с землёй получаем цифру 3 с двумя стрелками, соединяя только А3 с землей(при этом на остальные входы не обязательно подавать питание), получаем цифру 4 без стрелок...
задача подать землю на нужные входы панели в зависимости от состояния выходов мозгов.
чем лучше всего решить эту задачу?:)
вот что написано в документации про выходы мозгов автомата
так же есть табличка по входам панели приборов(синяя картинка:))
тоесть соединяя все 4 входа панели с землёй получаем цифру 3 с двумя стрелками, соединяя только А3 с землей(при этом на остальные входы не обязательно подавать питание), получаем цифру 4 без стрелок...
задача подать землю на нужные входы панели в зависимости от состояния выходов мозгов.
чем лучше всего решить эту задачу?:)
МК (PIC или ATMEGA) самое простоеблин, это была самая первая мысль еще где-то пару месяцев назад, но нет! зачем пихать микроконтроллеры для простейшей логики? Да и всю обвязку, вроде диодов, в любом случае придётся делать.
Gellowgles
v.i.p.
А стрелки на панели, 3-я задняя передача ?

alzin
veteran
А стрелки на панели, 3-я задняя передача ?нет :)) это от типтроника осталось, что значат точно не знаю, но предпологаю, что показывают, что пора бы переключиться вверх или вниз...![]()
блин, это была самая первая мысль еще где-то пару месяцев назад, но нет! зачем пихать микроконтроллеры для простейшей логики? Да и всю обвязку, вроде диодов, в любом случае придётся делать.Там обвязки-то децл. Зато потом любую логику зашить можно. А так, если чего, схему переделывать каждый раз. Чем вы и занимаетесь сейчас.
Там обвязки-то децл. Зато потом любую логику зашить можно. А так, если чего, схему переделывать каждый раз. Чем вы и занимаетесь сейчас.разные циферки показывать? Эту логику нужно один раз правильно сделать и всё, мне этого достаточно будет.
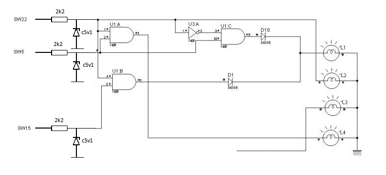
не могу понять чего в моей первой схеме не правильно..., кроме того, что выходы логических элементов без диодов были соеденены.
мутная схема. рисуйте подробную.объясните в чём мутность, что бы не повторить ошибок?

не могу понять, что же вы там со входами наделали через ЕНку.
Ну вот как-то так должно быть.такой вариант у меня почему-то не заработал.... пару дней назад...
Тока я не понял, почему у вас L3 обоими выводами на земле.
сейчас пробую с оптопарой...
а L3 на земле потому что все 4 варианта цифр были с землей...
я пробовал сделать цифры со стрелками, а там А3 всегда на земле.
сейчас думаю сделать без стрелок..
Gellowgles
v.i.p.
Что-то совсем запутали. Сколько выходов с блока АКПП и сколько входов на приборке? Я так понял что 4 и там и там. Дальше составляете таблицу истинности всех 16 возможных состояний выходов с блока коробки и соответствующих им входов на приборку. Потом составляете функцию, упрощаете ее, используя булеву алгебру, и реализуете на выбранных элементах.
Давайте, выкладывайте таблицу истинности.
Давайте, выкладывайте таблицу истинности.
alzin
veteran
Ну давайте смотреть...
первый вариант был такой
Если на 22 и 5 выходах блока 1(+12), то это первая передача и на панели нужно соединить А2 и А4 с питанием, а А1 и А3 с землей,
если на 5 выходе 1, а на 22 0, то это вторая передача и на панели нужно А1 соединить с питанием, а остальные с землей
если на 16м выходе 1, то все выходы панели нужно соединить с землей
если на 15м выходе 1, то нужно А1 и А2 нужно соединить с питанием, а остальные с землей.
это был первый вариант, где все цифры со стрелочками, в этом варианте А3 во всех случаях соединена с землей.
при этом эксперименты показали, что с питанием нужные входы не обязательно соединять, цифры и так загораются.
сейчас немного другой вариант пытаюсь сделать, где все цифры без стрелочек, там вообще только 3 входа на панели используются.
но не могу понять откуда берется питание на входах микрухи, хотя ни замыканий никаких нету, ни питание никак не подается
первый вариант был такой
Если на 22 и 5 выходах блока 1(+12), то это первая передача и на панели нужно соединить А2 и А4 с питанием, а А1 и А3 с землей,
если на 5 выходе 1, а на 22 0, то это вторая передача и на панели нужно А1 соединить с питанием, а остальные с землей
если на 16м выходе 1, то все выходы панели нужно соединить с землей
если на 15м выходе 1, то нужно А1 и А2 нужно соединить с питанием, а остальные с землей.
это был первый вариант, где все цифры со стрелочками, в этом варианте А3 во всех случаях соединена с землей.
при этом эксперименты показали, что с питанием нужные входы не обязательно соединять, цифры и так загораются.
сейчас немного другой вариант пытаюсь сделать, где все цифры без стрелочек, там вообще только 3 входа на панели используются.
но не могу понять откуда берется питание на входах микрухи, хотя ни замыканий никаких нету, ни питание никак не подается

но не могу понять откуда берется питание на входах микрухи, хотя ни замыканий никаких нету, ни питание никак не подается155я микруха с ТТЛ организацией![]()
вот рисунок ТТЛ ячейки
Вообще сводная таблица очень напоминает двоичный код. Единственно, надо чтоб была подмена кода первой и четвертой передачи тогда все будет совпадать. Итого надо 2 входа и три выхода. Входные цепи всяко делать, так что я б использавал tiny13. Как раз хватит по ногам.
забыл, там есть еще состояние, когда на всех 4х выходах с мозгов есть +12 вольт - это нейтраль/парковка....
тобишь уже не обойтись двумя выходами
тобишь уже не обойтись двумя выходами
на atmega получилось, работает, но как-то это не правильно
да и найти лишний микроконтроллер не могу...
а в первоначлаьной схеме не могу понять одну вещь..
если на SW22 есть питание 5 вольт, тобишь логическая единица, то на выхоте U3:A должно быть 0 и на вход U1:C должно идти 0, но там откуда-то берется 2.4 вольта! причём берутся они именно на входе U1:C, а не на U3:A. Почему на входе вообще есть логическая 1, если её туда никто не подаёт?

да и найти лишний микроконтроллер не могу...

а в первоначлаьной схеме не могу понять одну вещь..
если на SW22 есть питание 5 вольт, тобишь логическая единица, то на выхоте U3:A должно быть 0 и на вход U1:C должно идти 0, но там откуда-то берется 2.4 вольта! причём берутся они именно на входе U1:C, а не на U3:A. Почему на входе вообще есть логическая 1, если её туда никто не подаёт?
Gellowgles
v.i.p.
Параллельно стабилитрону на входах поставь нагрузочный резистор 1ком на землю. 2.4в это не "1" это пограничное состояние, возможно битый инвертор.
Gellowgles
v.i.p.
задача подать землю на нужные входы панели в зависимости от состояния выходов мозгов.Пятница, работы не много, решил вспомнить чему учил на рэфе по цифровой технике тов. Сажнёв. И вот что получилось
чем лучше всего решить эту задачу?:)

Если делать на чистой логике, то порядок такой, согласно белой и синей табличке составляется таблица истинности, зависимость сигналов на приборку, от сигналов блока. Далее делаем полную таблицу истинности со всеми состояниями и уже по ней нужно составить логические функции выходов от состояния входов, а потом следует упростить получившиеся функции. Это делается наглядно, с помощью метода карт Карно для функций со многими выходами. Строим сразу четыре карты Карно и упрощаем так, чтобы была возможность использовать одни и те же группы лог. элементов для разных выходов, так называемый метод коллективной минимизации. В инете можно прочитать, это уже дебри

Я взял вариант, когда отображаются только цифры 1-2-3-4, OFF-все цифры погасли, и состояние "-", на которое приборка не реагирует.
Логическая схема, по полученной упрощенной функции, соответствующая таблице истинности в экселевском файле нарисована в квартусе, на выводы не обращайте внимание, это выводы ПЛИС. Для проверки схемы залил ее в демо-плату плисины, все работает, фунциклирует как и было задумано
Общую схему, заодно, тоже нарисовал.Но делать такой алгоритм на корпусной логике, это жесть, больше 5 корпусов микрух

Можно сделать и на МК, какой-нибудь тинька с внутренним генератором, мега это черезчур.
Но есть еще один вариант, самый подходящий для такого случая, про который я просто забыл, в силу его древности. Нужно зашить таблицу истинности в ППЗУ типа 155ре3, и все, маленькая платка и стоимость микрухи всего 3руб.

Alex_
guru
Чтото мне подсказывает что по входу надо развязать схему с мозгами компа. Я бы это с помощью оптопары сделал типа kc357
Gellowgles
v.i.p.
Зачем? В случае кз, резистор делителя ограничит ток через ключи управления соленоидами. А выбросы уберут ограничительные диоды по входам.
AllExK
experienced
Но есть еще один вариант, самый подходящий для такого случая, про который я просто забыл, в силу его древности. Нужно зашить таблицу истинности в ППЗУ типа 155ре3, и все, маленькая платка и стоимость микрухи всего 3руб.+100500![]()
Самый экономически эффективный вариант! Привет РЭФу от АВТФ


Вот я тоже за такой вариант, но в живую не видел ни разу как это работает и чем они шьются эти микрухи... только слышал про него лет 20 назад, когда еще был в начальных классахНо есть еще один вариант, самый подходящий для такого случая, про который я просто забыл, в силу его древности. Нужно зашить таблицу истинности в ППЗУ типа 155ре3, и все, маленькая платка и стоимость микрухи всего 3руб.+100500![]()
Самый экономически эффективный вариант! Привет РЭФу от АВТФ![]()

Простой программатор РЕ.
По ссылке - схемка простого программатора и основной принцип работы с ППЗУ
По ссылке - схемка простого программатора и основной принцип работы с ППЗУ
Простой программатор РЕ.ага, уже прочитал сегодня эту статью, спасибо
По ссылке - схемка простого программатора и основной принцип работы с ППЗУ

ТОП 5
1
3