На информационном ресурсе применяются cookie-файлы. Оставаясь на сайте, вы подтверждаете свое согласие на их использование.
Система EGR.
2857
28
Vs
censored
Вопщем предлагаю немного поговорить о системе рециркуляции отработавших газов.
Ее основное назначение, последствия выключения методом заглушки каналов и проч.
В конкретном примере имеем турбодизель и обычный клапан EGR. (Тобишь не пульсирующий).
Ее основное назначение, последствия выключения методом заглушки каналов и проч.
В конкретном примере имеем турбодизель и обычный клапан EGR. (Тобишь не пульсирующий).
Думаешь стоит заткнуть эту дырку? я вот тут почитал, и подумал, а нафих затыкать если все работает?
Ну, в рассматриваемом мной случае, обратной связи нет (электроники).
Тоесть получаем, что ТВСмесь получает дополнительный объем негорючего газа и содержание кислорода уменьшается.
1. Выхлопу от этого не лучше не хуже - факт.
2. ТВС при заглушке более низкой температуры, но с большим содержанием кислорода.
Вот что могу сообразить.
Тоесть получаем, что ТВСмесь получает дополнительный объем негорючего газа и содержание кислорода уменьшается.
1. Выхлопу от этого не лучше не хуже - факт.
2. ТВС при заглушке более низкой температуры, но с большим содержанием кислорода.
Вот что могу сообразить.
глушить не дожидаясь перетонита
она только для экологии полезна, а с нашим топливом её действие в общем значении выбросов ничтожно
я заткнул сразу же, после первой чистки дроссельной заслонки
больше не чистил, не загаживается
она только для экологии полезна, а с нашим топливом её действие в общем значении выбросов ничтожно
я заткнул сразу же, после первой чистки дроссельной заслонки
больше не чистил, не загаживается
глушить не дожидаясь перетонитаЧего, простите, не дожидаясь?

Сейчас читают
как гуманно избавиться от улиток?
51481
87
Вопросы по ЖК Радуга - застройщик ЗАО "Виакон" (часть 2)
188746
842
Стройка на ВАСХНИЛЕ: СК ГОРОД и ТРЕСТ 36
269422
861
Ну, засёр заслонки обусловлен еще и масляной пылью, что несут с собой картерные газы. Какие ни какие но они имеют место быть. 

праильно
а если эту пыль ещё подогреть свежим выхлопом, то результат сильно усугубляется
а если эту пыль ещё подогреть свежим выхлопом, то результат сильно усугубляется
А вот если заткнуть то будет не камильфо ибо внутри блока будет создаваться дополнительное давление которое будет пытаться выдавить сальники... Как тут быть?
А вот если заткнуть то будет не камильфо ибо внутри блока будет создаваться дополнительное давление которое будет пытаться выдавить сальники... Как тут быть?Про картерные газы - да. Либо как доктор прописал, либо наружу.
Но ЕГР - это всетки вешь другая.
Так и что, никто не заморачивался подобным вопросом? 

И я заткнул, сразу после попытки почистить коллектор (пришлось заменить), потому как закоксовалось настолько что погнуло крайние заслонки (речь идет про 3S-SFE) результат впечатлил сразу, мотору "дышать" легче и ничего больше не забивается (коксуется). 

глушил, на аккорде, чек выбивает....
заглушку убрал, как то напрягает ездить с чеком....
На Диско3 2.7турбодизель, заглушили, не чего не выбивает, полет нормальный,
на МАНе заглушили, тоже полет нормальный, причём глушили, парни с МАН центра, рекомендация для России была...
заглушку убрал, как то напрягает ездить с чеком....
На Диско3 2.7турбодизель, заглушили, не чего не выбивает, полет нормальный,
на МАНе заглушили, тоже полет нормальный, причём глушили, парни с МАН центра, рекомендация для России была...
На Диско3 2.7турбодизель, заглушили, не чего не выбивает, полет нормальный...Про этих зверей я истории знаю.
Но там совсем другая система, нежели в кондовом дизеле.
Гораздо сложнее.
глуши её короче
прокладочка из полторашки нержавейки под отводящую трубочку
у меня так
прокладочка из полторашки нержавейки под отводящую трубочку
у меня так
глуши её корочеДа у меня со старого мотора заглушки есть.
прокладочка из полторашки нержавейки под отводящую трубочку
у меня так
А тут вопрос возник, потомучто при снятии турбины немного трубку подмяли газов этих.

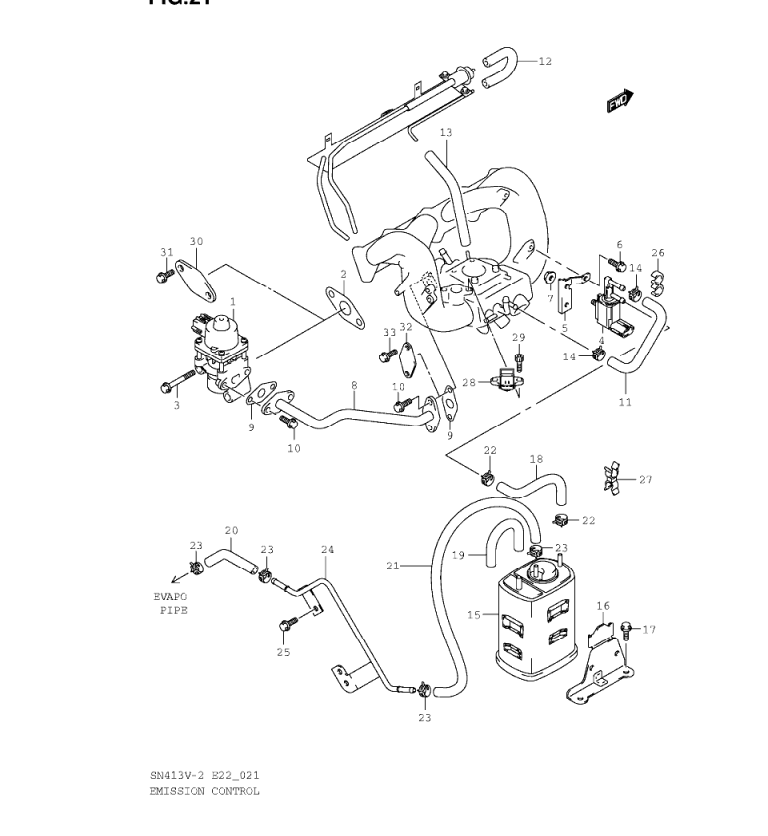
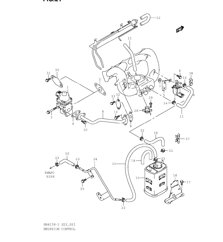
щас каталог на свой мотор глянул ради интереса, там даже штатные заглушки предусмотрены для кастрации ентого дела, нумера 30 и 32 на рисунке
так что глушить нах без сожаления
так что глушить нах без сожаления
Что то не похоже на мой мотор.
Щас в другой офис перееду, гляну что там.
Щас в другой офис перееду, гляну что там.
Gellowgles
v.i.p.
А глушить на входе и выходе или в каком то одном месте?
Vs
censored
А глушить на входе и выходе или в каком то одном месте?Ну, если магистраль целая, то достаточно в одном месте.
Если нарушена - то в двух.

Gellowgles
v.i.p.
Кроме того, что ставить заглушку, нужно ли отключать систему EGR программно в прошивке?
Vs
censored
Кроме того, что ставить заглушку, нужно ли отключать систему EGR программно в прошивке?ИМХО - тут зависит от того об каком моторе идет речь.

ТОП 5
1
4
