На информационном ресурсе применяются cookie-файлы. Оставаясь на сайте, вы подтверждаете свое согласие на их использование.
Рольставни.
2195
12
Есть потребость закрыть доступ посторонним лицам в шкаф с коммуникациями (вентили на воду и отопление) находящийся на этажной площадке. Дело в том, что собираюсь в эту шкафушку водосчётчики ставить и водонагреватель, но сам пока в квартире не живу, и нехотелось бы чтоб скрутил кто-нибудь.
Проём шкафа (ш х в) 1,2м х 1,7м. Неплохой вариант установить рольставни с замком (типа как окна на магазинах закрывают или вход в павильоны. Но пока натыкался на дорогие предложения, более 6 т.р. с установкой.
КТо что подскажет. Где можно дешевше купить. Самому легко смонтировать?
Проём шкафа (ш х в) 1,2м х 1,7м. Неплохой вариант установить рольставни с замком (типа как окна на магазинах закрывают или вход в павильоны. Но пока натыкался на дорогие предложения, более 6 т.р. с установкой.
КТо что подскажет. Где можно дешевше купить. Самому легко смонтировать?
Ставятся легко, монтаж будет накладным способом, если глубина шкафчика меньше 180мм, если больше то можно сделать внутренний монтаж.
Ставятся легко, монтаж будет накладным способом, если глубина шкафчика меньше 180мм, если больше то можно сделать внутренний монтаж.Сама ниша по глубине 320мм.
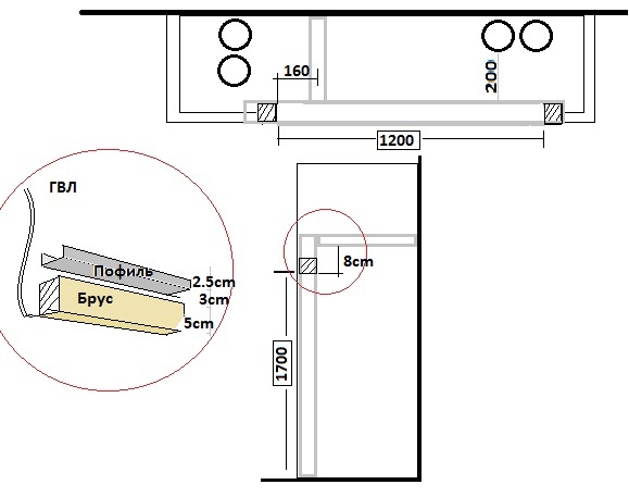
Стены нишы ГВЛ.
От внутреннего края кояка и профилей образующих каркас передней стенки нишы до труб 200мм.
По пириметру косяка проброшены профиля на расстоянии 30мм.
К профилю идущем над верзней перемычкой стояка прикрычен поперечный профиль дающий жесткость с задней кап.стеной. (привязка центра поперечного профиля к левому стояку косяка - 16см).
Таким образом получается, что глубина, куда можно установить конструкцию - 200мм
А высота (если брать отнижней части верхней перемычки до поперечного профиля 80мм.
В связи с тем, что я планирвал в эту нишу установить ещё и нагреватель воды, може есть варинат оставить рольставни вверз ногами. Т.е. поднимать из снизу и сверху запирать?
Таким образом,
www.doorhan.ruВ контактах, есть адрес в Москве, Питере и Владике. В Нске то где такое можно найти?
раздел "ролетные системы"
подраздел "Рольставни 'Собери сам' "
fensterbau
Едкий Калий
Евростиль рольставнями занимается
il_t
member
Алютех-Сибирь делает. Есть и человечек который может заняться установкой, если нет желания связываться с фирмами
Сейчас читают
Ветеринарные офтальмологи в н-ске?
47004
56
Как заставить менеджеров работать?
12812
64
Кинокурилка! (часть 2)
139855
1000
У меня купи...в личке цены обсудим.Предлогай.
Предложу. Выкладывай размеры проемов, управление, и прочие пожелания.
Не знаю, что ещё по размерам сказать. Даже рисунок прикладывал.
Размер проёма (ш х в) 1200 х 1700.
Монтаж из нутри ниши.
"Рукчной привод" с возможностью запрания.
Отделка и прочее - самый эконом, т.к. видно их будет только после того как открываешь распашные дверци подъездной ниши.
Главное ограничить доступ в нишу с коммуникациями.
Размер проёма (ш х в) 1200 х 1700.
Монтаж из нутри ниши.
"Рукчной привод" с возможностью запрания.
Отделка и прочее - самый эконом, т.к. видно их будет только после того как открываешь распашные дверци подъездной ниши.
Главное ограничить доступ в нишу с коммуникациями.
Micha_Burmistrov
v.i.p.
В контактах, есть адрес в Москве, Питере и Владике. В Нске то где такое можно найти?посмотрите вниманельнее в Новосибирске они то же есть


MOBYBAOBY
veteran
Спасибо за советы.
Нашёл за 3 с копейками без монтажа.
Нашёл за 3 с копейками без монтажа.
ТОП 5
2
3
4